Struggling with motors that wear out, run hot, and make too much noise? This inefficiency1 can compromise your product's reliability and performance, leading to costly maintenance and unhappy customers.
A Brushless DC (BLDC) motor2 works by using an electronic controller instead of physical brushes to switch the direction of current in the motor windings. This electronic commutation3 eliminates friction and wear, resulting in higher efficiency1, a much longer lifespan, and quieter, more precise operation.

I've seen many engineering teams make the switch from traditional brushed motors to brushless. The benefits are almost immediate, but the real advantage comes when you understand exactly how they work. This knowledge helps you select the right control components4, which is where the true performance is unlocked. Let's dive into how this technology gives your project a competitive edge.
How Does Electronic Commutation Make BLDC Motors More Efficient?
You know BLDC motors are efficient, but "electronic commutation3" can sound like a complex black box. Not understanding it can make it hard to choose the right control components4 for your design.
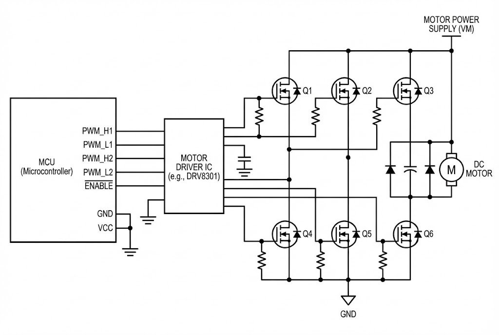
Electronic commutation uses sensors or software algorithms to track the rotor5's position. A motor driver IC6 then uses this information to energize the stator7 coils in the perfect sequence, creating a smooth, rotating magnetic field that pulls the rotor5 magnets along without any physical contact.

To really get it, let's compare it to the old way. A traditional brushed DC motor has physical carbon brushes that press against a spinning commutator. This contact physically switches the current in the windings. The problem is, this process creates friction, heat, sparks, and electrical noise. The brushes also wear down over time and need to be replaced.
A BLDC motor gets rid of all that.
- The Stator: This is the stationary part with copper windings.
- The Rotor: This is the rotating part with permanent magnets.
- The Controller: This is the brain, usually a motor driver IC6 and MOSFETs8.
The controller's job is to figure out where the rotor5 is and then send power to the right stator7 coils to keep it spinning. It's like dangling a carrot in front of a donkey, but you're using magnetic fields. This is all done electronically, so there's no friction or wear. This is why we see such a huge jump in efficiency1 and reliability. At NexCir, we help customers source the exact motor driver IC6s and power MOSFETs8 needed to build these highly efficient control systems.
| Feature | Brushed DC Motor | Brushless DC (BLDC) Motor |
|---|---|---|
| Commutation | Mechanical (Brushes & Commutator) | Electronic (Controller & Sensors) |
| Efficiency | Lower (75-80%) | Higher (85-90%+) |
| Lifespan | Limited by brush wear | Very long, limited by bearings |
| Noise | High (Mechanical & Electrical) | Very low |
| Speed Range | Limited | Wide and stable |
| Control | Simple | Requires a controller (MCU, Driver) |
What Are the Key Components for Driving a BLDC Motor?
Choosing a BLDC motor is the first step, but you still need the right electronics to make it run. Picking mismatched components can lead to poor performance, overheating, or even complete failure.
The essential components for driving a BLDC motor are a microcontroller (MCU)9 for the main logic, a dedicated Motor Driver IC to manage the power stage, and power transistors like MOSFETs8 to switch the high currents10 that actually turn the motor.

Building a reliable BLDC motor system is all about how these parts work together. I often see projects get delayed because the team underestimated the importance of the driver circuit. It's not just about making the motor spin; it's about making it spin efficiently and reliably for years.
Here's a breakdown of the team:
- Microcontroller (MCU): This is the high-level brain. It runs the software that determines the motor's speed and torque. It tells the motor driver what to do, but it doesn't handle the heavy electrical load itself. We help many clients source the right general-purpose or industrial MCUs for these tasks.
- Motor Driver IC: This is the critical middle manager. It takes the low-power commands from the MCU and translates them into powerful signals that can control the MOSFETs8. Good driver ICs also have built-in protection features, like shutting down if the motor gets too hot or draws too much current. This is a core component we specialize in sourcing.
- MOSFETs8: These are the muscles. They are high-power electronic switches. The motor driver IC6 tells them when to open and close, and they handle the large currents that flow into the motor's windings. The quality of your MOSFETs8 directly impacts your system's efficiency1. Sourcing original, reliable power devices11 is essential.
Think of it like this: The MCU is the boss who decides the strategy. The Motor Driver IC is the supervisor who interprets the strategy into clear, actionable instructions. And the MOSFETs8 are the workers on the factory floor doing the heavy lifting. All three need to be perfectly in sync.
How Does a BLDC Motor Compare to an AC Induction Motor?
You're designing a system and need to choose a motor. The choice often comes down to a modern BLDC motor or a classic AC induction motor12. Picking the wrong one can mean sacrificing efficiency1 or control.
A BLDC motor offers much higher efficiency1, better speed control13, and more power in a smaller size compared to an AC induction motor12. But, AC induction motor12s are simple, rugged, and cheaper for high-power, fixed-speed applications that run directly from wall power.

I've worked on projects where the team initially chose an AC motor because it seemed simpler. But they soon realized they needed more precise speed control13, and the energy consumption14 was too high. They had to switch to a BLDC motor, which added time and cost. Understanding the core differences upfront can save you a lot of trouble.
The biggest difference is in the rotor5.
- A BLDC motor has permanent magnets on its rotor5. The magnetic field is always there, so it's very efficient.
- An AC induction motor12 has a rotor5 made of copper or aluminum bars. The stator7's rotating magnetic field has to induce a current in the rotor5 to create a second magnetic field, which causes it to spin. This induction process creates heat and wastes energy.
This fundamental difference leads to several trade-offs.
| Feature | BLDC Motor | AC Induction Motor |
|---|---|---|
| Efficiency | Very High | Moderate to High |
| Power Density | High (more power for its size) | Lower |
| Speed Control | Excellent, very precise | Poor without a VFD controller |
| Starting Torque | High | Low |
| Complexity | Requires an electronic controller | Simple (can run directly from AC) |
| Cost | Motor is more expensive; requires controller | Motor is cheaper |
| Best For | Battery-powered devices, robotics15, EVs | Fans, pumps, industrial machinery |
So, if your application needs to be lightweight, run on batteries, and have very precise control over speed, a BLDC motor is the clear winner. If you need a simple, cheap, and robust motor to run a fan at a constant speed, the AC induction motor12 is a great choice. For most modern electronic products, the advantages of BLDC motors are too significant to ignore.
Conclusion
BLDC motors provide better efficiency1, a longer life, and greater control by using smart electronics instead of mechanical brushes. Selecting the right motor driver IC6s and MOSFETs8 is crucial.
Explore the key factors that contribute to the high efficiency of BLDC motors. ↩
Explore the benefits of BLDC motors to understand why they are preferred in modern applications. ↩
Learn about electronic commutation to grasp its role in enhancing motor efficiency. ↩
Identify the critical components needed for effective BLDC motor control. ↩
Learn about the rotor's design differences and their impact on motor performance. ↩
Discover the function of motor driver ICs in controlling BLDC motors effectively. ↩
Discover the role of the stator in generating the magnetic field for motor operation. ↩
Understand the importance of MOSFETs in managing high currents for motor efficiency. ↩
Find out how MCUs control motor functions and enhance performance. ↩
Explore the implications of high currents on motor efficiency and reliability. ↩
Find out how to source quality power devices for optimal motor performance. ↩
Compare BLDC and AC induction motors to make informed choices for your projects. ↩
Learn about the mechanisms that allow precise speed control in BLDC motors. ↩
Understand the energy efficiency differences to optimize your motor choice. ↩
Explore the applications of BLDC motors in robotics for enhanced performance. ↩