You might think standalone CAN controllers are dead. Most modern microcontrollers have CAN built right in. So, why do engineers still ask me for the SJA1000T1?
The SJA1000T1 is a standalone controller for the Controller Area Network (CAN)2. It is essential for systems that lack built-in CAN support, such as specific FPGAs, industrial PC cards3, or legacy microcontrollers4. It manages the communication protocol, allowing the main processor to focus on other tasks.

Many people assume that because technology moves fast, old chips become useless. But in the industrial world, reliability is everything. I see this every day at Nexcir. Engineers keep buying this chip because it solves specific problems that new chips cannot solve easily. Let me explain why this "old" chip is still a best-seller.
Why use a standalone controller when modern MCUs have them built-in?
It seems inefficient to add an extra chip to your board. Why not just upgrade the main processor to a newer one that includes CAN?
Sometimes, changing the main processor is too expensive or complex. Using a standalone SJA1000T1 allows you to add CAN functionality to an existing design without redesigning the entire system architecture or rewriting verified software.

I often talk to procurement managers who are stressed. They have a machine that has worked perfectly for ten years. Suddenly, they need to add a CAN interface to talk to a new sensor. They have two choices. Choice one is to replace the main CPU. This means new code, new testing, and high risk. Choice two is to keep the old CPU and just add the SJA1000T1.
Most of my clients choose the second option. It is the path of least resistance. The SJA1000T1 handles all the messy parts of the CAN protocol. It handles error checking, bus arbitration, and message filtering. The main CPU just reads and writes data like it is accessing a simple memory chip.
Here is a breakdown of why this approach saves money and time:
Critical Thinking: The Cost of Redesign vs. Add-on
| Feature | Integrated MCU Solution | SJA1000T1 Add-on Solution |
|---|---|---|
| Hardware Design | Requires a full board layout change. | Minimal change, just add one chip. |
| Software Risk | High. You must port old code to a new architecture. | Low. You only write a driver for the new chip. |
| Time to Market | Months. You need validation for the new CPU. | Weeks. The core system remains unchanged. |
| Flexibility | Low. You are stuck with the MCU's limitations. | High. You can add multiple SJA1000T1s for more ports. |
At Nexcir, we see this pattern in industrial automation. A factory cannot stop for a year to test a new computer system. They need a plug-in solution. The SJA1000T1 provides that bridge between the old reliable tech and the new communication standards. It supports both BasicCAN (standard frame) and PeliCAN (extended frame) modes, making it versatile for different network requirements.
How does the SJA1000T1 fit into FPGA and Industrial PC designs?
FPGA engineers face a unique challenge. Logic gates are valuable resources. Should you use them to build a soft CAN core, or is there a better way?
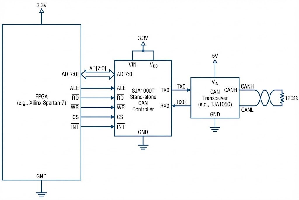
The SJA1000T1 connects easily to the FPGA's parallel bus interface. It offloads the complex CAN error handling and timing from the FPGA logic, saving valuable resources for your core algorithms.

I have a friend who designs custom control boards using FPGAs. He loves FPGAs because they are fast. But he hates writing communication stacks in VHDL or Verilog. It is hard to get the timing exactly right for the CAN protocol. If the timing is off by a microsecond, the whole network fails.
This is where the SJA1000T1 shines in the niche market of FPGA development5. Instead of buying an expensive "IP Core" license to put CAN inside the FPGA, he buys a physical SJA1000T1 chip for a few dollars.
Breaking Down the FPGA Connection
When you use an SJA1000T1 with an FPGA, you treat the controller like external RAM. Here is how the setup usually works:
- The Interface: The SJA1000T1 uses a multiplexed address/data bus6. This is a standard 8-bit parallel interface.
- The Logic: The FPGA only needs a small state machine to read and write to this bus. It does not need to know how CAN bit-stuffing works.
- The Buffer: The SJA1000T1 has a 64-byte FIFO (First In, First Out) buffer. This stores messages until the FPGA is ready to read them. This is crucial. FPGAs are often busy doing high-speed math. The SJA1000T1 holds the data so nothing is lost.
Industrial PC Cards We also supply this chip to companies that make expansion cards for industrial computers (PC/104 or PCI cards7). These cards often need 2, 4, or even 8 CAN ports. Most MCUs do not have 8 CAN ports. But you can easily put 8 SJA1000T1 chips on one board. They all share the same data bus but have different "Chip Select" lines. This makes the SJA1000T1 the standard for multi-port CAN cards. It allows for modular design. If one port blows up due to a voltage spike, you replace one chip, not the whole processor.
What is the best way to implement a complete CAN node with SJA1000T1?
The controller is only half the battle. You need a physical connection to the wires. What chip pairs best with the SJA1000T1 to ensure a robust signal?
To create a complete CAN node, you must pair the SJA1000T1 with a transceiver. The PCA82C251 is the classic choice, offering a robust physical layer interface and protection against electrical noise.

I always tell my customers: "Do not buy the controller without the transceiver." The SJA1000T1 speaks "logic levels" (0s and 1s inside the chip). The CAN bus speaks "differential voltages" (voltage differences on the wires). You need a translator.
The PCA82C251 is the perfect partner for the SJA1000T1. They were designed to work together. This is a strong sales point for us at Nexcir because we can bundle them.
Building the Complete Solution
Why is this specific combination (SJA1000T1 + PCA82C251) so popular? It comes down to voltage and durability.
- 5V Logic8: Both chips operate on 5V. Many modern chips are 3.3V. If you use a 3.3V chip in an old 5V industrial machine, you need extra level shifters. That adds cost and failure points. The SJA1000T1/PCA82C251 combo is native 5V. It fits right into legacy systems.
- Physical Protection: The PCA82C251 connects directly to the outside world. It faces static electricity, ground loops, and wiring mistakes. It is built to be tough. It protects the more sensitive SJA1000T1 behind it.
Implementation Tips When I review Bill of Materials (BOMs) for clients, I look for these two together. If you are designing this into a system, here is what you need to know:
- Termination: You need a 120-ohm resistor at each end of the CAN bus. The PCA82C251 drives this resistor.
- Crystal Oscillator9: The SJA1000T1 needs a clock source, usually 16MHz or 24MHz. This clock determines your baud rate10 (speed).
- Isolation: For very noisy factories, I recommend putting an optical isolator11 between the SJA1000T1 and the PCA82C251. This prevents high voltage spikes from burning your FPGA or CPU.
We position this as a "Complete Node Solution12." Instead of hunting for parts from different vendors, Nexcir sources the controller, the transceiver, and even the crystal oscillator from authorized channels. This guarantees that the parts will talk to each other perfectly.
Conclusion
The SJA1000T1 remains vital for FPGAs and legacy systems. By pairing it with the PCA82C251, you get a reliable, verified CAN solution without redesigning your main processor.
Explore why the SJA1000T remains a popular choice for adding CAN functionality to systems lacking built-in support. ↩
Understand the importance of CAN protocol in industrial and automotive communication systems. ↩
Learn how industrial PC cards enhance connectivity and functionality in automation systems. ↩
Discover how standalone CAN controllers like SJA1000T extend the life of legacy microcontrollers. ↩
Find out how standalone CAN controllers simplify CAN protocol implementation in FPGA designs. ↩
Understand the role of multiplexed address/data buses in connecting components like SJA1000T to systems. ↩
Explore the significance of PC/104 and PCI cards in expanding connectivity in industrial systems. ↩
Understand the advantages of using 5V logic in maintaining compatibility with legacy systems. ↩
Understand how crystal oscillators determine baud rate and timing in CAN communication. ↩
Learn about the impact of baud rate on the speed and efficiency of CAN communication. ↩
Learn how optical isolators prevent voltage spikes and enhance system reliability. ↩
Discover how a Complete Node Solution simplifies the integration of CAN controllers and transceivers. ↩